Wiring Diagrams Sometimes we all feel like our guitars can perform a lot
better if we can get some different sounds (yeah, maybe it's not the
guitar but what a %!$@#, right?). As long as you have fairly standard
single coil or humbucking pickups, there are a plenty of ways to modify your
guitar without using active electronics. Some of these wring diagram utilizes
either an SPDTor DPDT
switch to change the internal wiring orientation of humbucking pickups, while
others utilize the often unused half of
5 position switches on Strat style guitars. There is also a diagram
explaining how to get all the
pickup combination available with a Strat style 3 pickup configuration
and a quick
fix for the volume control to retain the treble when you turn it down.
I have added a couple of examples on how to utilize a 6-position rotary switch. Although the first example uses 1 humbucking pick-up, you can think of the 2 coils as 2 single coil pickups in a strat-style guitar and have some fun with it. And the second one can be used with either 2 humbucking or single-coil pick-ups.
1) Coil tapping humbucking pick-ups.
2) Series and parallel wiring of a humbucker.
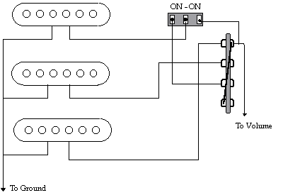
With a 2 position (on-on) DPDT (double-throw-double-pole), this wiring will connect 2 coils of a humbucking pick-up in either Series (the normal operation) or Parallel (less output but much clear sound, closer to sounding like a single coil pick-up). On the other hand if a 3 position (on-on-on) DPDT switch was used, it would produce 3 distinctive sounds: Series (normal), Single coil, Parallel.
3) Automatic coil tap in "in-between" positions in H-S-H configuration.
Since standard Stratocaster 5 position switches have 2 independent circuits, one side can be wired to coil tapping tasks. This wiring should more accurately approximate traditional S-S-S "in-between" sounds.
4) Additional 2 pick-up combinations using a SPDT switch.
By inserting a SPDT (Single-Pole-Double-Throw) switch between the front pick-up and the 5-way selector, 2 additional pick-up combinations become available.
With SPDT switch "ON"
5) Installing a resister and capacitor wired in parallel to the potentiometer to retain the treble when the volume control is turned down.
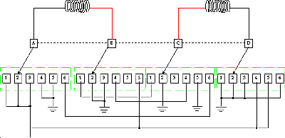
6) An Example of a Wiring Using a Rotary Switch
Using the wiring with a 4-conductor humbucking pick-up would give you the following combinations within the pickup:
1. Standard Humbucking operation.
2.Coil Tap.
3. Parallel.
4. Reverse polarity humbucking (it would be out of phase with another humbucking pickup).
5. Reverse polarity coil tap. (out of phase when combined with another single coil pickup).
6. Out of phase parallel.

Red: Positive; Black: negative; Blue: Jumpers
Just in case. Here is a schematic for the above diagram.

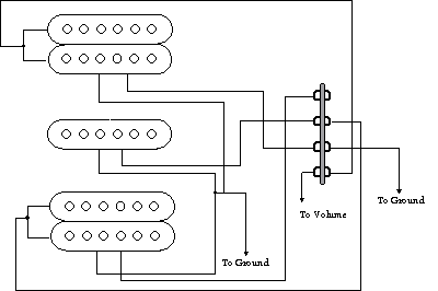
7) Another example on using a rotary switch with 2 humbuckers (or single coils if you'd like).
PU 1 = Pick-up 1 (front/neck); PU 2 = Pick-up 2 (rear/bridge); Wire 1 =
Positive; Wire 2 = Negative; Ground = Sheild/Ground
| Position 1 | Both pick-ups in series |
| Position 2 | Both pick-ups in parallel in phase |
| Position 3 | Front/Neck only |
| Position 4 | Rear/Bridge only |
| Position 5 | Both pick-ups in series out-of-phase |
| Position 6 | Both pick-ups in parallel out-of-phase |
All contents © Copyright 1995, 1996 Mashi Hasu All Rights Reserved
A Comprehensive Guide to Buying Fake Rolex Replicas: The Yacht Master II Replica and Vintage Air KingExperience the allure of luxury with our exquisite explorer copy, designed for those who appreciate elegance without the hefty price tag. This stunning replica watch captures the iconic style of the original, featuring a durable design and precise craftsmanship. Elevate your wardrobe effortlessly and enjoy the sophistication of a high-end timepiece that fits seamlessly into your budget.